HOME
1.微化石とは
2.いろいろな微化石
水中の昆虫 ― 珪藻 ―
太古からの化石 ― 放散虫 ―
有孔虫
ハプト藻
花粉
コノドント
渦鞭毛藻
貝形虫
3.プランクトンの世界
プランクトンの世界
プランクトンから微化石へ
4.微化石になる生物の形の進化
放散虫の進化系列
5.示準化石と示相化石
6.地理的分布
7.ヘッケル・エーレンベルグ計画
8.微古生物リファレンスセンターと
ハーバリウム
9.微化石を観察しよう
高解像度・3D高解像度微化石
10. 微化石で遊ぼう
11.もっと知りたい人のために
図書の案内
協力者
示準化石と示相化石
「示準化石」とは,地層の堆積した時代の推定に役立つ化石のことで,「示相化石」とは、地層が堆積した環境を推定するのに有効な化石のことです.示準化石としては三葉虫,アンモナイト,貨幣石が,示相化石としては造礁サンゴが有名です.これらは,中学校の理科の教科書でも言及されており,広く知られています.教科書にはほとんど出てこないものの,研究の世界では,顕微鏡サイズの化石,すなわち微化石が示準化石・示相化石として広く使われています.
示準化石としては,進化速度が速い,分布域が広い,化石が産出しやすい,容易に識別できるといった条件が要されます.微化石の中でもプランクトンの化石は,広く分布することや,少量の堆積物試料から数百から数万個体が産出することなどから,優れた示準化石となります.特に日本列島の大部分を構成する「付加体」では,プランクトンの微化石は重要な示準化石となります.
示相化石となるには,海洋生物の場合,水温,塩分,栄養塩,水深などによって分布が限定される種が適しています.プランクトンは,一般に,水温,水深,塩分,溶存酸素濃度などの海洋環境に応じて生息しているため,プランクトンの微化石は示相化石になります.また,微化石の中でも有孔虫と呼ばれる生物の化石は,化石中の酸素の安定同位体比から,過去の水温を推定することができます.これは,新たな形の示相化石と言えそうです.
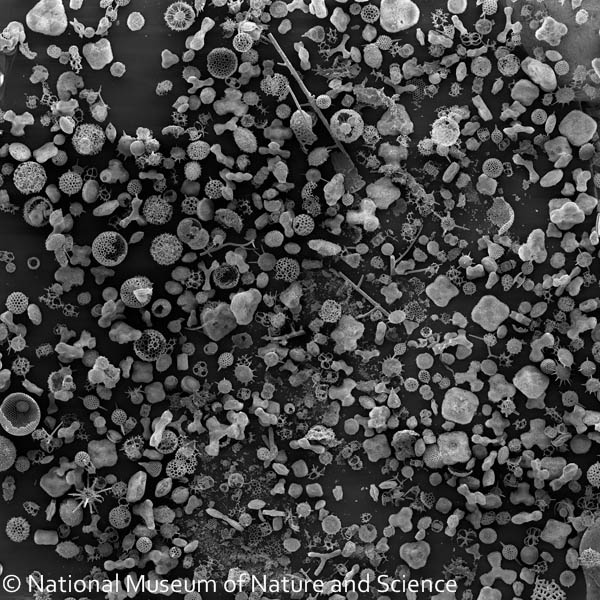
ほとんど放散虫の骨格殻なる海洋プランクトンの遺骸。[写真:酒井豊三郎]
日本海南部(隠岐堆)付近の
表層海水温の変動(小泉、2011を改変)。
[青:北日本太平洋沖、赤:日本海]
珪藻年代尺度と地磁気極性年代尺度。
[図:柳沢幸夫(国立科学博物館叢書13巻「微化石」より)]